

| 技术参数 (Electrical Specifications) | |||||||||||
| 表格数据 (Table Data) | |||||||||||
| 型号 | 电压 | 额定参数 (RATED LOAD) | 峰值转矩 | 力矩常数 | 反电势常数 | 转子惯量 | 机身长 | 重量 | |||
| VDC | 转速 (rpm) | 转矩 (Nm) | 电流 (A) | 功率 (W) | Nm | N·M/A | Back EMF | kg·mm² | L: mm | Kg | |
| MODEL | Voltage | Speed | Torque | Current | Power | Peak Torque | Torque constant | V/kRPM | Rotor inertia | Body Length | Mass |
| 80BLF20 | 48 | 3000 | 0.4 | 3.2 | 126 | 1.2 | 0.126 | 9.1 | 39 | 86 | 1.5 |
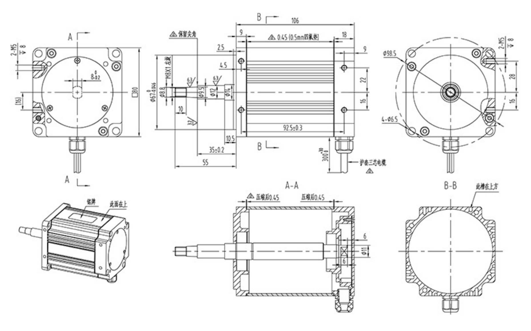
| 80BLF40 | 48 | 3000 | 0.7 | 5.5 | 220 | 2.1 | 0.127 | 9 | 53 | 106 | 2.1 |
| 80BLF40 | 310 | 6000 | 0.7 | 1.7 | 440 | 2.1 | 0.4 | 31 | 53 | 106 | 2.1 |
| 80BLF60 | 48 | 3000 | 1.27 | 10 | 400 | 3.81 | 0.127 | 8.7 | 65 | 126 | 2.7 |
| 80BLF60 | 48 | 5000 | 1.27 | 17 | 665 | 3.81 | 0.076 | 5.1 | 65 | 126 | 2.7 |
| 80BLF60 | 310 | 5000 | 1.27 | 1.6 | 400 | 3.81 | 0.82 | 55 | 65 | 126 | 2.7 |
| 以上仅为代表产品,派生产品可根据客户要求制作 We also manufacture products according to customer's requirements. |
|||||||||||
| We also manufacture products according to customer's requirements. | |||||||||||